RUT956 Relay to Open Collector Output
Appearance
RUT956 Hardware Application Examples > RUT956 Relay to Open Collector Output
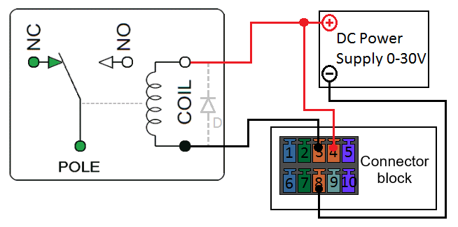
This section provides an example on how to connect a relay to RUT956 open collector output:
Note: some relays have internal protection diode D. When connecting such relay you mustn’t mix up coil contacts. If you mix up such relay coil contacts you might cause permanent damage to the open collector output.
For more information about digital output control and RUT956 Inputs/Outputs in general refer here
